欢迎光临启东恒业石化冶金设备有限公司官网!
联系人:黄颖妍 总经理 (销售部)
电 话:0513-83083662
传 真:0513-83632898
手 机:18951333978
网址:www.qdhyshyj.com
邮 箱:13773728160@126.com
地 址:启东市汇龙镇永阳北路
产品概述
SCX采样器参考UOP技术设计制造,阻火盘适用干石油、化工装置中对管道内的工艺状况下各种介质,尤其是有毒、易燃、易爆等危害性的中、低压气、液介质的无泄漏采样。样品真实性强,准确性高,无残液、残气排放。有效地防止有毒、有害介质对操作者的伤害。同时不会污染环境,避免了易燃、易爆介质在采样时可能造成的危险事故。符合国家对环保和防火、防爆规范的要求。
SCX采样器已在国内石油化工工艺装置,如渣油加氢、重油催化、气体分馏等装置中采用,获得了一致好评。我公司生产的SCX型采样器器主要有SCXL型在线式采样器和SCXM型密闭式采样器两大类。用户可以根据不同的工艺要求选用。各采样器主体材质均为1Crl8Ni9Ti或OCrl8Ni9Ti,外观大方、华丽。
1、SCXL型在线式采样器 ■结构特点 SCXL型在线式采样器,主要由应急阀、传动丝杆、阀体、丝杆支架、手柄、柱塞、出液管、密封组件及联接法兰组成。由于柱塞贯穿于阀体及联接法兰中,保证了每次采样时不排残液(气),也消除了凝堵的因素。
2、SCXM型密闭采样器
SCXM型密闭式采样器,主要由箱体、采样瓶、缓冲罐、快换手轮、压力表、阀门、密封件及法兰组成。
■结构特点 由于采样瓶与工艺管之间用带有快换手轮连接,因此,操作简单、迅速、方便。
■技术参数适用范围
①SCXM—IA型液体密闭式采样器
■适用范围:适用于各种有毒、有害、易燃、易爆等各种液体介质的采样。
■技术参数:采样温度:-20—60℃,设计压力:0~10.0Mpa,采样量:100ml
注:N1、N2、N3管口为DN15 PN1.6~10.0
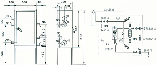
②SCXM—IB型液体密闭式采样器
■适用范围:适用于各种有毒、有害、易燃、易爆等各种液体介质的采样。
■技术参数:采样温度:-20~400℃,设计压力:0~10.0Mpa,采样量:100ml
注:N1、N2、N3管口为DN15 PN1.6~10.0,N4、N5、N6管口为DN20 PN1.6
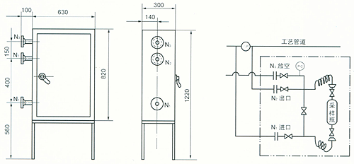
③SCXM-IIA型气体密闭式采样器
■适用范围:适用于各种有毒、有害、易燃、易爆等各种气体介质的采样。
■技术参数:使用温度:-20~50℃,设计压力:0~10.0Mpa,采样量:200ml~500m1
注:N1、N2、N3、N4管口为DN15 PN1.6~10.0
④SCXM-IIB型气体密闭式采样器
■适用范围:适用于各种有毒、有害、易燃、易爆等各种气体介质的采样。
■技术参数:采样温度:-20~400℃,设计压力:0~10.0MPa,采样量:200ml一500m1
注:N1、N2、N3、N4管口为DN15 PN1.6~10.0,N5、N6、N7管口为DN20 PN1.6
订货须知 1、订货时请详细注明采样器型号、介质名称、压力和温度。 2、请注明连接面法兰标准。

![]() |
| 全国咨询热线: |
| |